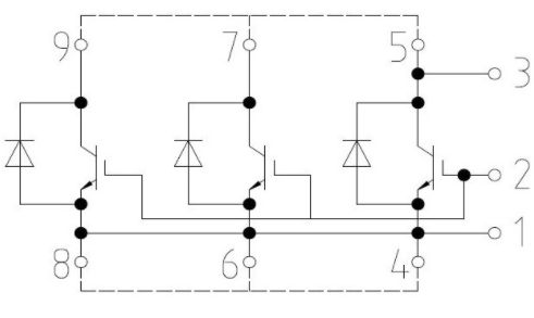
FZ2400R17HE4B9

1700V IHMB 190mm 单开关 IGBT 模块,配有第四代沟槽栅/场终止 IGBT,打造优秀的工业应用解决方案

特征描述

  • 提高工作温度Tvj op

  • 低开关损耗

  • 低 VCEsat

  • Tvj op = 150°C

  • 4kV 交流 1 分钟绝缘

  • 封装的 CTI > 400

  • 高爬电距离和电气间隙

  • 铜基板

  • UL 认证

    image.png


  • 指标参数


  • ParametricsFZ2400R17HE4_B9
    ConfigurationSingle switch
    Dimensions (length)190.0 mm
    Dimensions (width)140.0 mm
    HousingIHM B
    IC(nom) / IF(nom)2400.0 A
    IC   max2400.0 A
    QualificationIndustrial
    TechnologyIGBT4 - E4
    VCE(sat) (Tvj=25°C typ)1.95 V
    VCES / VRRM1700.0 V
    VF (Tvj=25°C typ)1.8 V
    Voltage Class1700.0 V